MG132MB
Данные каталога MG132MB
| Наименование продукции | MG132MB |
| Производственный номер | 87370262 |
| EAN номер | 5710622822151 |
Описание MG132MB
MG132MB Электродвигатель – 3-фазный стандартный электродвигатель переменного тока. Технология Grundfos Blueflux(R) представляет самое лучшее решение от компании Grundfs среди электродвигателей с высоким КПД и с частотными преобразователями (электродвигатели MG, электродвигатели MGE и преобразователь CUE). Технология Grundfos Blueflux(R) удовлетворяет и даже превосходит требования стандартов, таких как EuP IE3. |
Основные данные MG132MB
| Диаметр вала | 38 мм |
| Длина конца вала | 80 мм |
| Данные на табличке электродвигателя | CE,IE2,IE3 |
| Модель | H3 |
| Охлаждение | IC 411 |
| Средства измерения | Сванский, SVAN 958 |
Изображение MG132MB
| Примечание к изображению: Внимание! Фотография продукта может отличаться от существующего. |
Данные электрооборудования MG132MB
| Тип электродвигателя | 132MB |
| Класс энергоэфф-ти | IE3 |
| Количество полюсов | 4 |
| Максимальное потребление тока | 16,4-15,6/9,45-9,25 A |
| Номинальная мощность - P2 | 7.5 кВт |
| Промышленная частота | 50 Hz |
| Номинальное напряжение | 3 x 380-415 D/660-690 Y V |
| Номинальный ток | 14,9-14,2/8,60-8,40 A |
| Пусковой ток | 680-780 % |
| Cos фи - характеристика мощности | 0,86-0,82 |
| Номинальная скорость | 1460 об/м |
| Номинальный вращающий момент при полной нагрузке | 49.5 Нм |
| Крутящий момент заторможенного ротора | 230-280 % |
| Распределение крутящего момента | 290-350 % |
| Момент инерции | 0.028 кг м2 |
| Энергоэффективность | IE3 90,4% |
| Эффективность электродвигателя при полной нагрузке | 90,4 % |
| Эффективность двигателя при 3/4 нагрузки | 91,6-91,7 % |
| Эффективность электродвигателя при 1/2 нагрузки | 92,4-91,6 % |
| Класс защиты (IEC 34-5) | 55 (Protect. water jets/dust) |
| Класс изоляции (IEC 85) | F |
| Защита электродвигателя | PTC |
| Тропическая защита | нет |
| Тепловая защита | внешн. |
| R1 | 1,36 ohm |
| R2 | 1,36 ohm |
| R3 | 1,36 ohm |
| Обмотка 1 | PHASE 1 |
| Обмотка 2 | PHASE 2 |
| Обмотка 3 | PHASE 3 |
| Направление вращения | CCW |
| Монтажн. обозначение по IEC 34-7 | IM V1/B5 |
Характеристика двигателя MG132MB
Монтаж MG132MB
| Диапазон температуры окружающей среды | -30 .. 60 °C |
| Размер фланца электродвигателя | FF265 |
Другое MG132MB
| Маркировка | Grundfos Blueflux |
| Нетто вес | 73 кг |
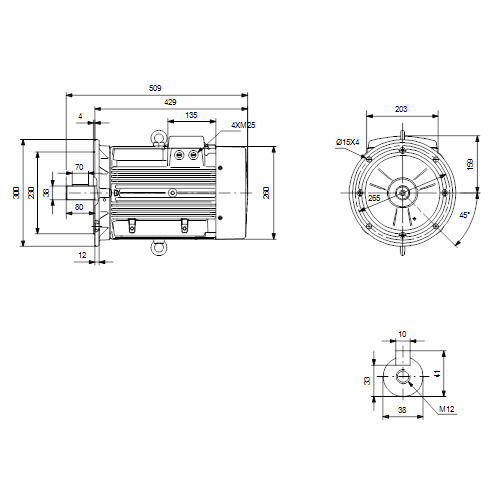
Габаритный чертеж MG132MB
| Примечание | Правовая оговорка |
| Внимание! Все величины даны в [мм], если не указано иное. | На данном упрощённом габаритном чертеже представлены не все компоненты. |
Схема подключений MG132MB






